SOS нужна схема CAME ZG2

Автоматика для ворот и шлагбаумов, окон и дверей
Ответить
Анатолий
Сообщения: 1
Зарегистрирован: 03 ноя 2017, 12:03

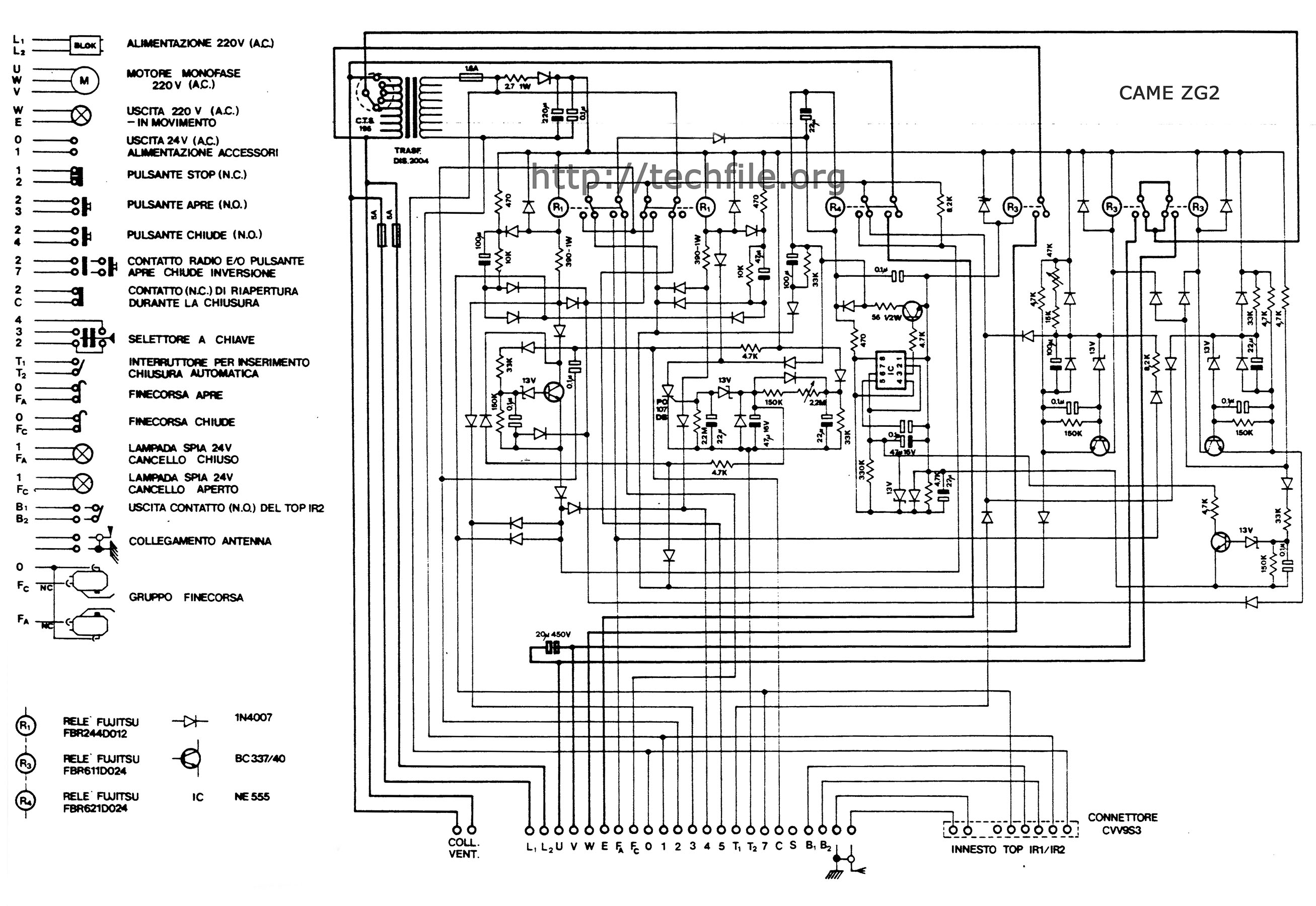
Господа скиньте принципиалку электрическую на CAME ZG2
Аватара пользователя
Creator
Администратор
Сообщения: 153
Зарегистрирован: 07 авг 2008, 09:19

Схема блока управления CAME ZG2
CAME ZG2.jpg
Ответить

Вернуться в «Документация по системам автоматики»